Скачать тех лист
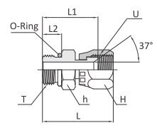
Фитинг прямой конфигурации под развальцовку 37° шарнирный под мягкую прокладку серии FSFOM для соединения метрических и дюймовых трубок.
Основные характеристики
Операция развальцовки:
|
Заказной номер |
Наружный диаметр трубы |
U (UNF) |
T (UNF) |
Размер под ключ |
L |
L1 |
L2 |
||
|
дюймы |
мм |
h |
H |
||||||
|
FSFOM 2T-02U |
1/8″ |
3 |
5/16″–24 |
5/16″–24 |
11,1 |
11,1 |
30,4 |
22,5 |
7,5 |
|
FSFOM 3T-02U |
3/16″ |
4 |
3/8″–24 |
3/8″–24 |
12,7 |
12,7 |
31,0 |
22,7 |
7,5 |
|
FSFOM 4T-04U |
1/4″ |
6 |
7/16″–20 |
7/16″–20 |
14,2 |
14,2 |
33,9 |
25,2 |
9,1 |
|
FSFOM 5T-05U |
5/16″ |
8 |
1/2″–20 |
1/2″–20 |
15,8 |
15,8 |
35,7 |
26,2 |
9,1 |
|
FSFOM 6T-06U |
3/8″ |
10 |
9/16″–18 |
9/16″–18 |
17,4 |
19,0 |
37,4 |
27,9 |
9,9 |
|
FSFOM 8T-08U |
1/2″ |
12 |
3/4″–16 |
3/4″–16 |
22,2 |
22,2 |
41,6 |
30,9 |
11,1 |
|
FSFOM 10T-10U |
5/8″ |
16 |
7/8″–14 |
7/8″–14 |
25,4 |
27,0 |
47,6 |
34,9 |
12,7 |
|
FSFOM 12T-12U |
3/4″ |
18,20 |
1 1/16″–12 |
1 1/16″–12 |
31,8 |
32,0 |
54,4 |
40,1 |
15,1 |
|
FSFOM 14T-14U |
7/8″ |
22 |
1 3/16″–12 |
1 3/16″–12 |
34,9 |
34,9 |
55,6 |
40,9 |
15,1 |
|
FSFOM 16T-16U |
1″ |
25 |
1 5/16″–12 |
1 5/16″–12 |
38,1 |
38,1 |
56,8 |
41,7 |
15,1 |
|
FSFOM 20T-20U |
1-1/4″ |
32 |
1 5/8″–12 |
1 5/8″–12 |
47,6 |
50,8 |
63,2 |
47,3 |
15,1 |
|
FSFOM 24T-24U |
1-1/2″ |
38 |
1 7/8″–12 |
1 7/8″–12 |
54,0 |
60,0 |
71,3 |
52,7 |
15,1 |
|
FSFOM 32T-32U |
2″ |
50 |
2 1/2″–12 |
2 1/2″–12 |
70,0 |
73,0 |
72,5 |
58,7 |
15,1 |
ООО "Крионика" работает только с юридическими лицами. Оплата производится безналичным путем, на основании счета на оплату. Счета общей суммой до 100 000,00 рублей с НДС не требуют оформления Договора. Счета суммой более 100 000,00 рублей с НДС требуют оформления Договора. Срок действия счета на оплату 4 рабочих дня.
Самовывоз
После уведомления о готовности товара, Вы можете забрать его в пункте выдачи по адресу: г. Ижевск, ул. Буммашевская, д. 7/1, оф. 309.
Доставка по России
При оформлении заказа, укажите способ Доставки "Транспортной компанией". По факту готовности товара, мы оформим забор груза с нашего склада и закажем доставку товара до вашего города, или по конкретному адресу. Право выбора транспортной компании остается за отправителем, если иное не указано в комментарии к Заказу или Договоре. Доставку оплачивает Получатель.
Включить в стоимость товара
Наши менеджеры самостоятельно оценят затраты на транспортировку Товара до Вашего склада, включат эту сумму в стоимость товара, оформят забор, межтерминальную доставку и доставку по вашему городу. Расчеты с транспортной компаний осуществляет отправитель, страховые риски во время транспортировки несет отправитель.
