Скачать тех лист
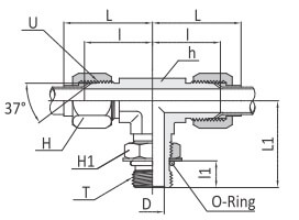
Тройник под развальцовку 37° под мягкую прокладку серии FOBTM для соединения метрических и дюймовых трубок.
Основные характеристики
Операция развальцовки:
|
Заказной номер |
Наружный диаметр трубы |
U (UNF) |
T (UNF) |
D |
Размер под ключ |
L |
L1 |
l |
l1 |
|||
|
дюймы |
мм |
h |
H |
H1 |
||||||||
|
FOBTM2T-02U |
1/8″ |
3 |
5/16″–24 |
5/16″–24 |
1,6 |
11,1 |
9,5 |
14,2 |
27,4 |
23,9 |
19,6 |
8,4 |
|
FOBTM3T-03U |
3/16″ |
4 |
3/8″–24 |
3/8″–24 |
3,2 |
11,1 |
11,0 |
15,8 |
30,5 |
23,9 |
21,1 |
8,4 |
|
FOBTM4T-04U |
1/4″ |
6 |
7/16″–20 |
7/16″–20 |
4,4 |
11,1 |
14,2 |
17,4 |
31,7 |
26,2 |
22,6 |
9,8 |
|
FOBTM5T-05U |
5/16″ |
8 |
1/2″–20 |
1/2″–20 |
6,0 |
14,3 |
16,0 |
19,0 |
34,5 |
28,7 |
24,1 |
9,8 |
|
FOBTM6T-06U |
3/8″ |
10 |
9/16″–18 |
9/16″–18 |
7,5 |
14,3 |
17,4 |
20,6 |
38,8 |
31,8 |
26,9 |
9,9 |
|
FOBTM8T-08U |
1/2″ |
12 |
3/4″–16 |
3/4″–16 |
9,9 |
19,0 |
22,2 |
25,4 |
44,5 |
36,8 |
31,8 |
11,0 |
|
FOBTM10T-10U |
5/8″ |
16 |
7/8″–14 |
7/8″–14 |
12,3 |
22,2 |
25,4 |
28,5 |
53,4 |
43,2 |
36,8 |
12,5 |
|
FOBTM12T-12U |
3/4″ |
18, 20 |
1 1/16″–12 |
1 1/16″–12 |
15,5 |
27,0 |
32,0 |
34,9 |
57,7 |
49,3 |
42,2 |
16,5 |
|
FOBTM14T-14U |
7/8″ |
22 |
1 3/16″–12 |
1 3/16″–12 |
18,0 |
33,3 |
35,0 |
38,1 |
63,3 |
50,8 |
45,7 |
16,5 |
|
FOBTM16T-16U |
1″ |
25 |
1 5/16″–12 |
1 5/16″–12 |
21,5 |
33,3 |
38,0 |
41,2 |
65,0 |
52,1 |
46,0 |
16,5 |
|
FOBTM20T-20U |
1 1/4″ |
32 |
1 5/8″–12 |
1 5/8″–12 |
37,5 |
41,3 |
50,8 |
47,6 |
70,8 |
57,2 |
52,3 |
16,5 |
|
FOBTM24T-24U |
1 1/2″ |
38 |
1 7/8″–12 |
1 7/8″–12 |
33,0 |
47,6 |
57,0 |
53,9 |
85,9 |
60,7 |
59,2 |
16,5 |
|
FOBTM32T-32U |
2″ |
50 |
2 1/2″–12 |
2 1/2″–12 |
45,0 |
63,5 |
73,0 |
69,8 |
105,2 |
73,4 |
77,7 |
16,5 |
ООО "Крионика" работает только с юридическими лицами. Оплата производится безналичным путем, на основании счета на оплату. Счета общей суммой до 100 000,00 рублей с НДС не требуют оформления Договора. Счета суммой более 100 000,00 рублей с НДС требуют оформления Договора. Срок действия счета на оплату 4 рабочих дня.
Самовывоз
После уведомления о готовности товара, Вы можете забрать его в пункте выдачи по адресу: г. Ижевск, ул. Буммашевская, д. 7/1, оф. 309.
Доставка по России
При оформлении заказа, укажите способ Доставки "Транспортной компанией". По факту готовности товара, мы оформим забор груза с нашего склада и закажем доставку товара до вашего города, или по конкретному адресу. Право выбора транспортной компании остается за отправителем, если иное не указано в комментарии к Заказу или Договоре. Доставку оплачивает Получатель.
Включить в стоимость товара
Наши менеджеры самостоятельно оценят затраты на транспортировку Товара до Вашего склада, включат эту сумму в стоимость товара, оформят забор, межтерминальную доставку и доставку по вашему городу. Расчеты с транспортной компаний осуществляет отправитель, страховые риски во время транспортировки несет отправитель.
