Скачать тех лист
Фитинг для соединения дюймовых, метрических трубок разного диаметра серии CUR.
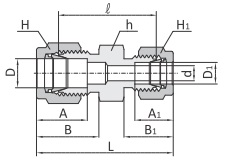
Трубные фитинги Hy-Lok разработаны и производятся в соответствии с особыми требованиями следующих отраслей промышленности: химической, нефтехимической, нефтеперерабатывающей, энергетической, кораблестроительной, целлюлозно-бумажной, микроэлектроники и т.д. Каждый трубный фитинг Hy-Lok состоит из четырех частей: корпуса, переднего обжимного кольца, заднего обжимного кольца и гайки. Компоновка с двумя обжимными кольцами, передним

| Заказной размер |
Размер под ключ |
||||||||||
|
D |
D1 |
h |
H |
H1 |
|||||||
|
дюймы |
мм |
дюймы |
мм |
дюймы |
мм |
дюймы |
мм |
дюймы |
мм |
||
|
CUR-2-1 |
1/8 |
3,17 |
1/16 |
1,58 |
1,27 |
7/16 |
11,11 |
7/16 |
11,11 |
5/16 |
7,93 |
|
CUR-3-1 |
3/16 |
4,76 |
1/16 |
1,58 |
1,27 |
7/16 |
11,11 |
1/2 |
12,70 |
5/16 |
7,93 |
|
CUR-3-2 |
3/16 |
4,76 |
1/8 |
3,17 |
2,28 |
7/16 |
11,11 |
1/2 |
12,70 |
7/16 |
11,11 |
|
CUR-4-1 |
1/4 |
6,35 |
1/16 |
1,58 |
1,27 |
1/2 |
12,70 |
9/16 |
14,28 |
5/16 |
7,93 |
|
CUR-4-2 |
1/4 |
6,35 |
1/8 |
3,17 |
2,28 |
1/2 |
12,70 |
9/16 |
14,28 |
7/16 |
11,11 |
|
CUR-4-3 |
1/4 |
6,35 |
3/16 |
4,76 |
3,04 |
1/2 |
12,70 |
9/16 |
14,28 |
1/2 |
12,70 |
|
CUR-5-2 |
5/16 |
7,93 |
1/8 |
3,17 |
2,28 |
9/16 |
14,28 |
5/8 |
15,87 |
7/16 |
11,11 |
|
CUR-5-4 |
5/16 |
7,93 |
1/4 |
6,35 |
4,82 |
9/16 |
14,28 |
5/8 |
15,87 |
9/16 |
14,28 |
|
CUR-6-1 |
3/8 |
9,52 |
1/16 |
1,58 |
1,27 |
5/8 |
15,87 |
11/16 |
17,46 |
5/16 |
7,93 |
|
CUR-6-2 |
3/8 |
9,52 |
1/8 |
3,17 |
2,28 |
5/8 |
15,87 |
11/16 |
17,46 |
7/16 |
11,11 |
|
CUR-6-4 |
3/8 |
9,52 |
1/4 |
6,35 |
4,82 |
5/8 |
15,87 |
11/16 |
17,46 |
9/16 |
14,28 |
|
CUR-6-5 |
3/8 |
9,52 |
5/16 |
7,93 |
6,35 |
5/8 |
15,87 |
11/16 |
17,46 |
5/8 |
15,87 |
|
CUR-8-2 |
1/2 |
12,70 |
1/8 |
3,17 |
2,28 |
13/16 |
20,63 |
7/8 |
22,22 |
7/16 |
11,11 |
|
CUR-8-4 |
1/2 |
12,70 |
1/4 |
6,35 |
4,82 |
13/16 |
20,63 |
7/8 |
22,22 |
9/16 |
14,28 |
|
CUR-8-6 |
1/2 |
12,70 |
3/8 |
9,52 |
7,11 |
13/16 |
20,63 |
7/8 |
22,22 |
11/16 |
17,46 |
|
CUR-10-6 |
5/8 |
15,87 |
3/8 |
9,52 |
7,11 |
15/16 |
23,81 |
1 |
25,40 |
11/16 |
17,46 |
|
CUR-10-8 |
5/8 |
15,87 |
1/2 |
12,70 |
10,41 |
15/16 |
23,81 |
1 |
25,40 |
7/8 |
22,22 |
|
CUR-12-4 |
3/4 |
19,05 |
1/4 |
6,35 |
4,82 |
1-1/16 |
26,98 |
1-1/8 |
28,57 |
9/16 |
14,28 |
|
CUR-12-6 |
3/4 |
19,05 |
3/8 |
9,52 |
7,11 |
1-1/16 |
26,98 |
1-1/8 |
28,57 |
11/16 |
17,46 |
|
CUR-12-8 |
3/4 |
19,05 |
1/2 |
12,70 |
10,41 |
1-1/16 |
26,98 |
1-1/8 |
28,57 |
7/8 |
22,22 |
|
CUR-12-10 |
3/4 |
19,05 |
5/8 |
15,87 |
12,70 |
1-1/16 |
26,98 |
1-1/8 |
28,57 |
1 |
25,40 |
|
CUR-16-8 |
1 |
25,40 |
1/2 |
12,70 |
10,41 |
1-3/8 |
34,92 |
1-1/2 |
38,10 |
7/8 |
22,22 |
|
CUR-16-12 |
1 |
25,40 |
3/4 |
19,05 |
15,74 |
1-3/8 |
34,92 |
1-1/2 |
38,10 |
1-1/8 |
28,57 |
| Заказной номер | Внешний диаметр трубы | d Min | Размер под ключ | |||
| D | D1 | h | H | H1 | ||
| CUR-3M-2M | 3 | 2 | 1,7 | 12 | 12 | 12 |
| CUR-6M-2M | 6 | 2 | 1,7 | 14 | 14 | 12 |
| CUR-6M-3M | 6 | 3 | 2,4 | 14 | 14 | 12 |
| CUR-6M-4M | 6 | 4 | 2,4 | 14 | 14 | 12 |
| CUR-8M-6M | 8 | 6 | 4,8 | 15 | 16 | 14 |
| CUR-10M-6M | 10 | 6 | 4,8 | 18 | 19 | 14 |
| CUR-10M-8M | 10 | 8 | 6,4 | 18 | 19 | 16 |
| CUR-12M-6M | 12 | 6 | 4,8 | 22 | 22 | 14 |
| CUR-12M-8M | 12 | 8 | 6,4 | 22 | 22 | 16 |
| CUR-12M-10M | 12 | 10 | 7,9 | 22 | 22 | 19 |
| CUR-14M-6M | 14 | 6 | 4,8 | 24 | 25 | 14 |
| CUR-14M-10M | 14 | 10 | 7,9 | 24 | 25 | 19 |
| CUR-14M-12M | 14 | 12 | 9,5 | 24 | 25 | 22 |
| CUR-16M-10M | 16 | 10 | 7,9 | 24 | 25 | 19 |
| CUR-16M-12M | 16 | 12 | 9,5 | 24 | 25 | 22 |
| CUR-18M-12M | 18 | 12 | 9,5 | 27 | 30 | 22 |
| CUR-25M-18M | 25 | 18 | 15,1 | 35 | 38 | 30 |
| CUR-25M-20M | 25 | 20 | 15,9 | 35 | 38 | 32 |
Соединение метрических и дюймовых трубок
| Заказной номер | Наружный диаметр трубы | d Min | Размер под ключ | ||||
| D | D1 | ||||||
| дюймы | мм | h | H | H1 | |||
| CUR-3M-2 | 3 | 1/8 | 3,17 | 2,4 | 12 | 12 | 11,1 |
| CUR-4M-2 | 4 | 1/8 | 3,17 | 2,4 | 12 | ||
ООО "Крионика" работает только с юридическими лицами. Оплата производится безналичным путем, на основании счета на оплату. Счета общей суммой до 100 000,00 рублей с НДС не требуют оформления Договора. Счета суммой более 100 000,00 рублей с НДС требуют оформления Договора. Срок действия счета на оплату 4 рабочих дня.
Самовывоз
После уведомления о готовности товара, Вы можете забрать его в пункте выдачи по адресу: г. Ижевск, ул. Буммашевская, д. 7/1, оф. 309.
Доставка по России
При оформлении заказа, укажите способ Доставки "Транспортной компанией". По факту готовности товара, мы оформим забор груза с нашего склада и закажем доставку товара до вашего города, или по конкретному адресу. Право выбора транспортной компании остается за отправителем, если иное не указано в комментарии к Заказу или Договоре. Доставку оплачивает Получатель.
Включить в стоимость товара
Наши менеджеры самостоятельно оценят затраты на транспортировку Товара до Вашего склада, включат эту сумму в стоимость товара, оформят забор, межтерминальную доставку и доставку по вашему городу. Расчеты с транспортной компаний осуществляет отправитель, страховые риски во время транспортировки несет отправитель.
