Скачать тех лист
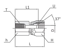
Фитинг прямой конфигурации под развальцовку 37° шарнирный под мягкую прокладку серии FSFOM для соединения метрических и дюймовых трубок.
Основные характеристики
Операция развальцовки:
|
Заказной номер |
Наружный диаметр трубы |
U (UNF) |
T (NPT) |
D |
Размер под ключ |
L |
L1 |
||
|
дюймы |
мм |
h |
H |
||||||
|
FSFFC 2T-01N |
1/8″ |
3 |
5/16″–24 |
1/8″ |
1,6 |
14,2 |
11,1 |
36,1 |
28,2 |
|
FSFFC 3T-01N |
3/16″ |
4 |
3/8″–24 |
1/8″ |
3,2 |
14,2 |
12,7 |
37,3 |
29,0 |
|
FSFFC 4T-01N |
1/4″ |
6 |
7/16″–20 |
1/8″ |
4,4 |
14,2 |
14,2 |
39,7 |
31,0 |
|
FSFFC 5T-01N |
5/16″ |
8 |
1/2″–20 |
1/8″ |
6,0 |
14,2 |
16,0 |
40,5 |
31,0 |
|
FSFFC 6T-02N |
3/8″ |
10 |
9/16″–18 |
1/4″ |
7,5 |
19,0 |
17,4 |
45,8 |
36,3 |
|
FSFFC 8T-03N |
1/2″ |
12 |
3/4″–16 |
3/8″ |
9,9 |
22,2 |
22,2 |
47,0 |
38,9 |
|
FSFFC10T-04N |
5/8″ |
16 |
7/8″–14 |
1/2″ |
12,3 |
29,0 |
25,4 |
51,6 |
48,0 |
|
FSFFC12T-06N |
3/4″ |
18, 20 |
1 1/16″–12 |
3/4″ |
15,5 |
35,0 |
32,0 |
66,6 |
52,3 |
|
FSFFC14T-06N |
7/8″ |
22 |
1 3/16″–12 |
3/4″ |
18,0 |
35,0 |
35,0 |
67,8 |
53,1 |
|
FSFFC16T-08N |
1″ |
25 |
1 5/16″–12 |
1″ |
21,5 |
41,0 |
38,0 |
73,5 |
58,4 |
|
FSFFC20T-10N |
1 1/4″ |
32 |
1 5/8″–12 |
1 1/4″ |
37,5 |
50,8 |
50,8 |
78,1 |
62,2 |
|
FSFFC24T-12N |
1 1/2″ |
38 |
1 7/8″–12 |
1 1/2″ |
33,0 |
60,0 |
57,0 |
86,7 |
68,1 |
|
FSFFC32T-16N |
2″ |
50 |
2 1/2″–12 |
2″ |
45,0 |
73,0 |
73,0 |
89,3 |
65,5 |
ООО "Крионика" работает только с юридическими лицами. Оплата производится безналичным путем, на основании счета на оплату. Счета общей суммой до 100 000,00 рублей с НДС не требуют оформления Договора. Счета суммой более 100 000,00 рублей с НДС требуют оформления Договора. Срок действия счета на оплату 4 рабочих дня.
Самовывоз
После уведомления о готовности товара, Вы можете забрать его в пункте выдачи по адресу: г. Ижевск, ул. Буммашевская, д. 7/1, оф. 309.
Доставка по России
При оформлении заказа, укажите способ Доставки "Транспортной компанией". По факту готовности товара, мы оформим забор груза с нашего склада и закажем доставку товара до вашего города, или по конкретному адресу. Право выбора транспортной компании остается за отправителем, если иное не указано в комментарии к Заказу или Договоре. Доставку оплачивает Получатель.
Включить в стоимость товара
Наши менеджеры самостоятельно оценят затраты на транспортировку Товара до Вашего склада, включат эту сумму в стоимость товара, оформят забор, межтерминальную доставку и доставку по вашему городу. Расчеты с транспортной компаний осуществляет отправитель, страховые риски во время транспортировки несет отправитель.
