Скачать тех лист
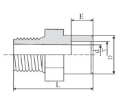
Фитинг прямой конфигурации приварной штуцер с наружной резьбой серии H-SSD.
Сварные фитинги Hy-Lok изготавливаются из нержавеющей стали S316. Литые фитинги производятся из материалов по стандарту ASTM A-314 и ASME SA-182, а фитинги вытачиваемые из металлопроката имеют материал по стандарту ASTM A-276 и ASME SA-479.
Рабочее давление сварных фитингов соответствует стандарту ANSI B31,3 и имеет четырёхкратный запас прочности (4:1) для любого перечисленного ниже диапазона.
Материал фитинга должен соответствовать материалу привариваемых деталей. Показатели температурного расширения материала в процессе сварки у разных деталей должны совпадать. Каждое гнездо под приварку имеет в конце небольшую конусность для точного позиционирования привариваемых элементов.

Штуцер приварной с наружной резьбой
|
Наружныйдиаметр трубы |
Pезьба NPT |
Кодировка |
d |
D |
E |
H «Под ключ» |
L |
Рабочее давление бар |
|
1/4 |
1/4 |
H-SSD-4 T-4N |
4,6 |
12,2 |
7,1 |
14,2 |
29,2 |
516 |
|
3/8 |
1/4 |
H-SSD-6T-4N |
7,1 |
15,3 |
7,9 |
15,8 |
31,8 |
516 |
|
3/8 |
3/8 |
H-SSD-6T-6N |
7,1 |
15,3 |
7,9 |
17,4 |
31,8 |
502 |
|
3/8 |
1/2 |
H-SSD-6T-8N |
7,1 |
15,3 |
7,9 |
22,2 |
37,3 |
496 |
|
1/2 |
1/4 |
H-SSD-8T-4N |
7,1 |
18,5 |
9,7 |
19,05 |
33,3 |
427 |
|
1/2 |
3/8 |
H-SSD-8T-6N |
9,4 |
18,5 |
9,7 |
19,05 |
33,3 |
427 |
|
1/2 |
1/2 |
H-SSD-8T-8N |
10,2 |
18,5 |
9,7 |
22,2 |
38,9 |
427 |
ООО "Крионика" работает только с юридическими лицами. Оплата производится безналичным путем, на основании счета на оплату. Счета общей суммой до 100 000,00 рублей с НДС не требуют оформления Договора. Счета суммой более 100 000,00 рублей с НДС требуют оформления Договора. Срок действия счета на оплату 4 рабочих дня.
Самовывоз
После уведомления о готовности товара, Вы можете забрать его в пункте выдачи по адресу: г. Ижевск, ул. Буммашевская, д. 7/1, оф. 309.
Доставка по России
При оформлении заказа, укажите способ Доставки "Транспортной компанией". По факту готовности товара, мы оформим забор груза с нашего склада и закажем доставку товара до вашего города, или по конкретному адресу. Право выбора транспортной компании остается за отправителем, если иное не указано в комментарии к Заказу или Договоре. Доставку оплачивает Получатель.
Включить в стоимость товара
Наши менеджеры самостоятельно оценят затраты на транспортировку Товара до Вашего склада, включат эту сумму в стоимость товара, оформят забор, межтерминальную доставку и доставку по вашему городу. Расчеты с транспортной компаний осуществляет отправитель, страховые риски во время транспортировки несет отправитель.
