Скачать тех лист
Переходник приварной серии H-SWFC.
Сварные фитинги Hy-Lok изготавливаются из нержавеющей стали S316. Литые фитинги производятся из материалов по стандарту ASTM A-314 и ASME SA-182, а фитинги вытачиваемые из металлопроката имеют материал по стандарту ASTM A-276 и ASME SA-479.
Рабочее давление сварных фитингов соответствует стандарту ANSI B31,3 и имеет четырёхкратный запас прочности (4:1) для любого перечисленного ниже диапазона.
Материал фитинга должен соответствовать материалу привариваемых деталей. Показатели температурного расширения материала в процессе сварки у разных деталей должны совпадать. Каждое гнездо под приварку имеет в конце небольшую конусность для точного позиционирования привариваемых элементов.

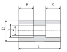
Соединитель приварной
|
Наружный диаметр трубы O.D.- T |
Кодировка |
d |
D |
E |
L |
Рабочее давление бар |
|
1/4 |
H-SWFC-4T |
4,6 |
13,0 |
7,1 |
19,1 |
689 |
|
3/8 |
H-SWFC-6T |
7,1 |
15,8 |
7,9 |
22,4 |
523 |
|
1/2 |
H-SWFC-8T |
10,2 |
19,0 |
9,7 |
26,9 |
427 |
|
5/8 |
H-SWFC-10T |
12,7 |
24,0 |
10,4 |
30,2 |
440 |
|
3/4 |
H-SWFC-12T |
15,7 |
26,9 |
11,2 |
33,3 |
378 |
|
1 |
H-SWFC-16T |
22,1 |
35,0 |
15,7 |
36,6 |
358 |
ООО "Крионика" работает только с юридическими лицами. Оплата производится безналичным путем, на основании счета на оплату. Счета общей суммой до 100 000,00 рублей с НДС не требуют оформления Договора. Счета суммой более 100 000,00 рублей с НДС требуют оформления Договора. Срок действия счета на оплату 4 рабочих дня.
Самовывоз
После уведомления о готовности товара, Вы можете забрать его в пункте выдачи по адресу: г. Ижевск, ул. Буммашевская, д. 7/1, оф. 309.
Доставка по России
При оформлении заказа, укажите способ Доставки "Транспортной компанией". По факту готовности товара, мы оформим забор груза с нашего склада и закажем доставку товара до вашего города, или по конкретному адресу. Право выбора транспортной компании остается за отправителем, если иное не указано в комментарии к Заказу или Договоре. Доставку оплачивает Получатель.
Включить в стоимость товара
Наши менеджеры самостоятельно оценят затраты на транспортировку Товара до Вашего склада, включат эту сумму в стоимость товара, оформят забор, межтерминальную доставку и доставку по вашему городу. Расчеты с транспортной компаний осуществляет отправитель, страховые риски во время транспортировки несет отправитель.
