Скачать тех лист
Соединитель приварной для чистых сред понижающий серии H-MCA.

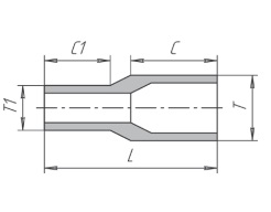
Мини-соединитель понижающий
|
Кодировка |
T |
Толщ. стенки |
T1 |
Толщ, стенки |
L мм |
C мм |
C1 мм |
Рабочее давление |
|
H-MCA-6-4 |
3/8” |
0,89мм |
1/4” |
0,89мм |
19,05 |
6,35 |
6,35 |
227 |
|
H-MCA-8-4 |
1/2” |
1,25мм |
1/4” |
0,89мм |
19,05 |
6,35 |
6,35 |
254 |
|
H-MCA-8-6 |
1/2” |
1,25мм |
3/8” |
0,89мм |
19,05 |
6,35 |
6,35 |
227 |
ООО "Крионика" работает только с юридическими лицами. Оплата производится безналичным путем, на основании счета на оплату. Счета общей суммой до 100 000,00 рублей с НДС не требуют оформления Договора. Счета суммой более 100 000,00 рублей с НДС требуют оформления Договора. Срок действия счета на оплату 4 рабочих дня.
Самовывоз
После уведомления о готовности товара, Вы можете забрать его в пункте выдачи по адресу: г. Ижевск, ул. Буммашевская, д. 7/1, оф. 309.
Доставка по России
При оформлении заказа, укажите способ Доставки "Транспортной компанией". По факту готовности товара, мы оформим забор груза с нашего склада и закажем доставку товара до вашего города, или по конкретному адресу. Право выбора транспортной компании остается за отправителем, если иное не указано в комментарии к Заказу или Договоре. Доставку оплачивает Получатель.
Включить в стоимость товара
Наши менеджеры самостоятельно оценят затраты на транспортировку Товара до Вашего склада, включат эту сумму в стоимость товара, оформят забор, межтерминальную доставку и доставку по вашему городу. Расчеты с транспортной компаний осуществляет отправитель, страховые риски во время транспортировки несет отправитель.
