Скачать тех лист


BSPP цилиндрическая резьба
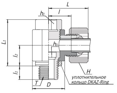
| Серия | Кодировка | Наружный диаметр трубы O.D. | D | H | h | h1 | L | L 1 | l | l1 | l2 | T BSPP(G) | PN (бар) |
| Steel | |||||||||||||
| L | DSWVE-08L-02G | 8 | 18,5 | 17 | 19 | 19 | 28,0 | 27,0 | 13,0 | 9 | 13,0 | 1/4 | 160 |
| DSWVE-10L-02G | 10 | 18,5 | 19 | 19 | 19 | 29,0 | 27,0 | 14,0 | 9 | 13,0 | 1/4 | 160 | |
| DSWVE-12L-03G | 12 | 22,5 | 22 | 22 | 22 | 30,0 | 32,0 | 15,5 | 9 | 15,0 | 3/8 | 100 | |
| DSWVE-15L-04G | 15 | 26,5 | 27 | 27 | 27 | 34,0 | 37,5 | 19,0 | 11 | 18,0 | 1/2 | 100 | |
| DSWVE-18L-04G | 18 | 26,0 | 32 | 30 | 27 | 37,0 | 44,0 | 20,5 | 11 | 21,5 | 1/2 | 100 | |
| DSWVE-22L-06G | 22 | 32,0 | 36 | 36 | 32 | 42,0 | 49,0 | 25,5 | 13 | 24,0 | 3/4 | 100 | |
| S | DSWVE-06S-02G | 6 | 18,5 | 17 | 19 | 19 | 30,0 | 27,0 | 15,0 | 9 | 13,0 | 1/4 | 160 |
| DSWVE-08S-02G | 8 | 18,5 | 19 | 19 | 19 | 30,0 | 27,0 | 15,0 | 9 | 13,0 | 1/4 | 160 | |
| DSWVE-10S-03G | 10 | 22,5 | 22 | 22 | 22 | 32,0 | 32,0 | 16,0 | 9 | 15,0 | 3/8 | 100 | |
| DSWVE-12S-03G | 12 | 22,5 | 24 | 24 | 24 | 33,0 | 37,0 | 17,0 | 9 | 18,0 | 3/8 | 100 | |
| DSWVE-14S-04G | 14 | 26,5 | 27 | 27 | 27 | 38,0 | 37,0 | 20,0 | 11 | 18,0 | 1/2 | 100 | |
| DSWVE-16S-04G | 16 | 26,0 | 30 | 30 | 27 | 40,0 | 44,0 | 21,5 | 11 | 21,5 | 1/2 | 100 | |
| DSWVE-20S-06G | 20 | 32,0 | 36 | 36 | 32 | 46,0 | 49,0 | 24,5 | 13 | 24,0 | 3/4 | 100 |
Метрическая цилиндрическая резьба
| Серия | Кодировка | Наружный диаметр трубы O.D. | D | H | h | h1 | L | L 1 | l | l1 | l2 | T метрическая | PN (бар) |
| Steel | |||||||||||||
| L | DSWVE-06L-M10 | 6 | 14,5 | 14 | 14 | 14 | 25,0 | 21,5 | 10,5 | 6 | 10,0 | M 10x1 | 160 |
| DSWVE-08L-M12 | 8 | 17,5 | 17 | 17 | 17 | 27,0 | 25,0 | 12,0 | 9 | 12,0 | M 12x1,5 | 160 | |
| DSWVE-10L-M14 | 10 | 19,5 | 19 | 19 | 19 | 29,0 | 27,0 | 14,0 | 9 | 13,0 | M 14x1,5 | 160 | |
| DSWVE-12L-M16 | 12 | 21,5 | 22 | 22 | 22 | 30,0 | 32,0 | 15,5 | 9 | 15,0 | M 16x1,5 | 100 | |
| DSWVE-15L-M18 | 15 | 23,5 | 27 | 24 | 24 | 33,0 | 37,5 | 17,5 | 19 | 18,0 | M 18x1,5 | 100 | |
| DSWVE-18L-M22 | 18 | 27,0 | 32 | 30 | 27 | 37,0 | 44,0 | 20,5 | 11 | 21,5 | M 22x1,5 | 100 | |
| DSWVE-22L-M26 | 22 | 31,0 | 36 | 36 | 32 | 42,0 | 49,0 | 25,5 | 13 | 24,0 | M 26x1,5 | 100 | |
| S | DSWVE-06S-M12 | 6 | 17,5 | 17 | 17 | 19 | 29,0 | 25,0 | 14,0 | 9 | 12,0 | M 12x1,5 | 100 |
| DSWVE-08S-M14 | 8 | 19,5 | 19 | 19 | 19 | 30,0 | 27,0 | 15,0 | 9 | 13,0 | M 14x1,5 | 100 | |
| DSWVE-10S-M16 | 10 | 21,5 | 22 | 22 | 22 | 32,0 | 32,0 | 16,0 | 9 | 15,0 | M 16x1,5 | 100 | |
| DSWVE-12S-M18 | 12 | 23,5 | 24 | 24 | 24 | 33,0 | 37,0 | 17,0 | 9 | 18,0 | M 18x1,5 | 100 | |
| DSWVE-14S-M20 | 14 | 25,5 | 27 | 27 | 27 | 38,0 | 37,0 | 20,0 | 11 | 18,0 | M 20x1,5 | 100 | |
| DSWVE-16S-M22 | 16 | 27,0 | 30 | 30 | 27 | 40,0 | 44,0 | 21,5 | 11 | 21,5 | M 22x1,5 | 100 | |
| DSWVE-20S-M27 | 20 | 32,0 | 36 | 36 | 32 | 46,0 | 49,0 | 24,5 | 13 | 24,0 | M 27x2 | 100 |
ООО "Крионика" работает только с юридическими лицами. Оплата производится безналичным путем, на основании счета на оплату. Счета общей суммой до 100 000,00 рублей с НДС не требуют оформления Договора. Счета суммой более 100 000,00 рублей с НДС требуют оформления Договора. Срок действия счета на оплату 4 рабочих дня.
Самовывоз
После уведомления о готовности товара, Вы можете забрать его в пункте выдачи по адресу: г. Ижевск, ул. Буммашевская, д. 7/1, оф. 309.
Доставка по России
При оформлении заказа, укажите способ Доставки "Транспортной компанией". По факту готовности товара, мы оформим забор груза с нашего склада и закажем доставку товара до вашего города, или по конкретному адресу. Право выбора транспортной компании остается за отправителем, если иное не указано в комментарии к Заказу или Договоре. Доставку оплачивает Получатель.
Включить в стоимость товара
Наши менеджеры самостоятельно оценят затраты на транспортировку Товара до Вашего склада, включат эту сумму в стоимость товара, оформят забор, межтерминальную доставку и доставку по вашему городу. Расчеты с транспортной компаний осуществляет отправитель, страховые риски во время транспортировки несет отправитель.
