Система газового пожаротушения для обжаривателя
Система газового пожаротушения для обжаривателя
Проектирование и поставка газового пожаротушения для обжарки мяса птицы
Мы сотрудничаем с одним из ведущих производителей мяса птицы в России, известным своим широким ассортиментом удобных для приготовления продуктов питания. Эта компания специализируется на создании разнообразных колбасных изделий, замороженных полуфабрикатов и готовых блюд, что позволяет удовлетворить вкусы самых взыскательных покупателей. Наша совместная работа продолжается уже более пяти лет, и за этот период доверие к нашим профессиональным навыкам только укрепилось. Это доверие стало основой для перехода к более крупным и значимым проектам, одним из которых является разработка и поставка линии газового пожаротушения на автоматической линий термической обработки мяса (обжаривателях), отличающаяся надежностью и высокими эксплуатационными характеристиками.
В условиях современного производства безопасность должна быть одним из ключевых приоритетов, особенно в таких сферах, как переработка пищевых продуктов. Выбор был остановлен на углекислотных системах пожаротушения являющимимся одним из наиболее эффективных методов борьбы с огнем.
Принцип работы углекислотных систем
Углекислота (CO₂) — это бесцветный газ, который не поддерживает горения. При использовании углекислотных систем пожаротушения CO₂ выделяется из баллонов под высоким давлением и направляется в очаг возгорания. Он вытесняет кислород из области пожара, что приводит к быстрому гашению огня. Важно отметить, что углекислота не оставляет "отходы", что делает эти системы идеальными для использования в помещениях с электроникой, архивами и другими ценными предметами.
Преимущества углекислотных систем
· Эффективность: Углекислоты могут мгновенно подавлять возгорание, особенно в закрытых помещениях.
· Отсутствие остаточного материала: В отличие от водяных или пенных систем, углекислота не оставляет за собой капель или пленок, что делает ее безопасной для использования в технических помещениях.
· Безопасность для окружающей среды: CO₂ является естественным компонентом атмосферы, и при правильном использовании он не наносит вреда окружающей среде.
· Компактность системы: Углекислотные баллоны занимают меньше места по сравнению с водными резервуарами.
Недостатки углекислотных систем
· Опасность для человека: При использовании углекислоты необходимо соблюдать осторожность, так как высокие концентрации газов могут привести к удушению.
· Неэффективность против всех классов пожаров: Углекислота наиболее эффективна против классов B и C пожаров, но она не может быть использована для тушения пожаров класса A (твердые горючие материалы).
· Необходимость в специализированной установке: Для установки и обслуживания углекислотных систем требуется специализированное оборудование и знания.
Углекислотные системы пожаротушения предоставляют отличное решение для эффективной борьбы с огнем в разнообразных сферах деятельности. Несмотря на свои недостатки, их преимущества делают их незаменимыми в ситуациях, где важна безопасность и сохранность имущества. Однако перед установкой системы необходимо тщательно рассмотреть все аспекты, связанные с безопасностью и требованиями к месту установки.
Производство пищи требует соблюдения строгих стандартов безопасности и качества для оборудования, что делает процесс их создания достаточно сложным и комплексным. Рассмотрим основные трудности, связанные с использованием оборудования на основе нержавеющей стали.
Ограничения на материалы
Одним из главных вызовов в пищевом производстве является необходимость использования только нержавеющей стали. Этот материал обладает рядом преимуществ:
· Коррозийная стойкость: Нержавейка не подвержена ржавчине и легко очищается.
· Гигиеничность: Поверхность нержавеющей стали не поглощает запахи и легко дезинфицируется.
Однако, этот материал также налагает определённые ограничения. Например, отсутствие покраски оборудования означает, что весь период эксплуатации оборудование должно выглядеть эстетично и выполнять свои функции без загрязнений.
Сварка конструкций
Другим важным аспектом является тот факт, что сварка всех конструкций должна производиться сплошными швами. Это требование обуславливает несколько моментов:
· Трудоёмкость процесса: Сварка сплошными швами требует гораздо больше времени и усилий. Это, в свою очередь, может увеличить затраты на рабочую силу и ускорение выполнения проекта.
· Квалификация специалистов: Наличие квалифицированных сварщиков, способных выполнить работы на высоком уровне, становится критически важным. Необходимые навыки и опыт для создания прочных и герметичных швов могут быть не всегда доступны.
Немного о принципе работы предложенной системы:
Система трубопроводов предназначена для транспортировки углекислого газа (CO2) из рамы в шкафное исполнение. Данная система обеспечивает эффективное и быстрое реагирование на возможные возгорания, что особенно важно в помещениях с высокими температурами и риском возникновения пожаров.
Центральным элементом данной системы является автоматический шкаф управления. Именно он отвечает за контроль и срабатывание системы пожаротушения. Шкаф управления получает сигналы от датчиков, установленных на обжаривателях – это устройства, отвечающие за мониторинг температуры в критических зонах.
Датчики являются важными компонентами системы, так как они обеспечивают непрерывный мониторинг температуры в помещении. Когда значение достигнет установленного предела, датчики отправляют сигнал в автоматический шкаф управления. Это позволяет быстро реагировать на потенциальное возгорание.
После получения сигнала от датчиков шкаф управления передает команды на регулятор, который открывает поступление газа в систему пожаротушения. Это позволяет эффективно подавлять пожар с использованием углекислого газа, который уменьшает уровень кислорода в зоне возгорания, тем самым препятствуя дальнейшему распространению огня.
Преимущества системы
· Система трубопроводов CO2 имеет несколько ключевых преимуществ:
· Высокая эффективность – углекислый газ быстро подавляет пламя, что особенно важно при возникновении пожара.
· Автоматизация процессов – система настроена на автоматическое срабатывание, что обеспечивает быструю реакцию на возникающую угрозу.
· Экологическая безопасность – CO2 является безопасным для окружающей среды, что позволяет использовать систему в различных отраслях.
Система трубопроводов CO2, поддерживающая автоматическое пожаротушение, является важным элементом безопасности на производстве. Использование автоматического шкафа управления и надежных датчиков температуры позволяет обеспечить своевременное реагирование на возгорания, что способствует созданию безопасной рабочей среды.
Немного о самой сделке
Зона ответственности
В рамках данного проекта обязанности были разделены между нашей компанией и монтажной организацией:
Наша компания: разработка, производство и поставка Разрядной рампы РР 01/02/200 в шкафном исполнении из нержавеющей стали, а также трубопроводов и соединений.
Монтажная компания: установка системы автоматики и монтаж всей системы пожаротушения.
Этапы проекта
1. Создание чертежей
Согласно техническому заданию клиента, мы разработали чертежи для рампы (Рис.1) и шкафа (Рис.2).
2. Создание проектной документации
По техническому заданию создается проект системы пожаротушения
3. Производство
После согласования чертежей и проекта начался процесс производства рампы и шкафа.
Основные компоненты поставки
· Проектная документация на систему газового пожаротушения
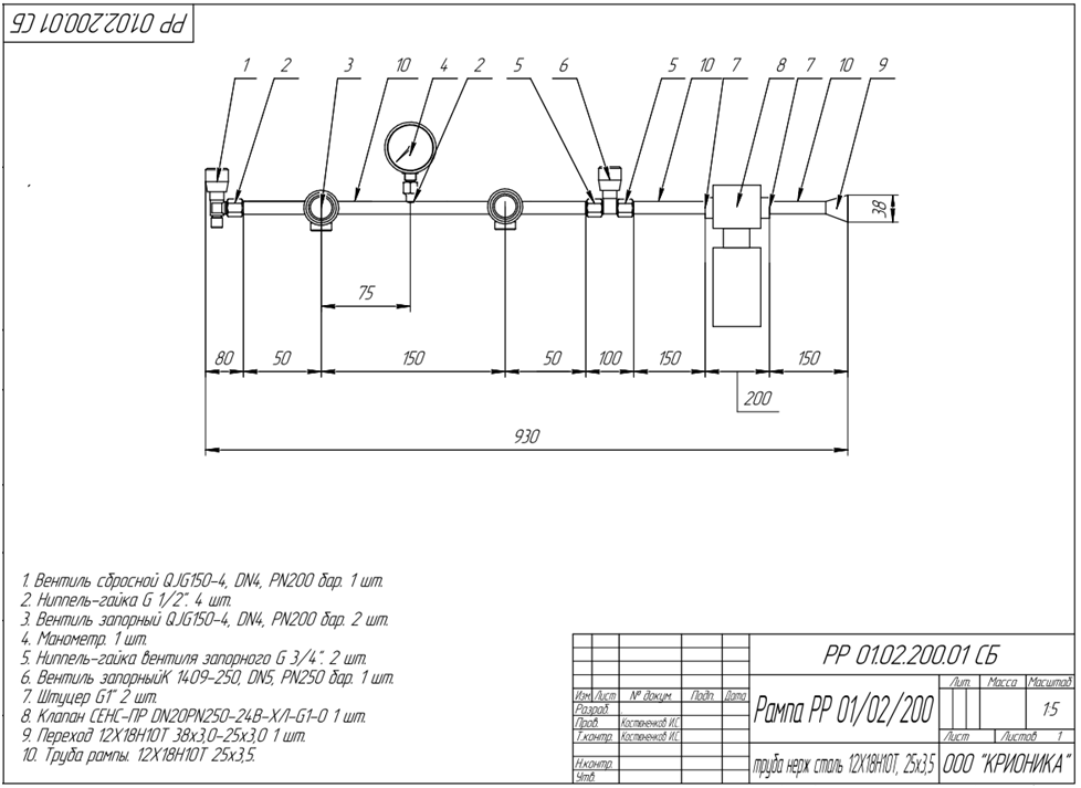
· Рампа: предназначена для подключения двух баллонов СО2. (Рис.1)
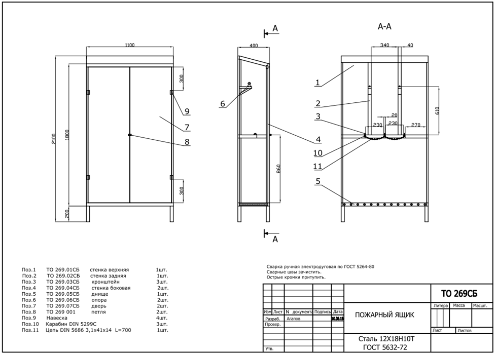
· Шкаф: баллонный шкаф для безопасного хранения двух баллонов из нержавеющей стали (Рис.2).
· Трубопроводы: труба б/ш нерж. сталь 12Х18Н10Т 38х4, отвод 90 б/ш нерж. сталь 12Х18Н10Т 38х4
Рис.1 Рампа разрядная РР 01/02/200
Разрядная рампа
Разрядная рампа является агрегатом системы которому подключаются баллоны с газом.
В комплектацию рампы входит:
· Вентиль баллонный Feilun QJG150-4 (DN4, PN200)
· Вентиль сетевой проходной Feilun QJT200-10 (DN10, PN200)
· Клапан предохранительный Feilun DA-06 (пресс. 22 МПа, G1/2")
· Манометр (поверенный) 100 мм (0-25 МПа)
· Змеевики медные
· Труба коллектора из нержавеющей стали
· Клапан СЕНС-ПР(Ссылка)
Рис.2 Шкаф баллонный на 2 баллона
Шкаф для баллонов
Шкаф для хранения баллонов играет важную роль в обеспечении безопасности. Он может быть поставлен как отдельная единица или в комплекте с рампами и перепускными системами.
Ключевые особенности шкафа:
· Выполнен из нержавеющей стали с каркасом 40х20х2.
· Обшивка - лист толщиной 1 мм с доступом к полу.
· Каждый лист вырезан на лазерном станке и проварен по периметру, что увеличивает жесткость конструкции и срок службы.
Проект газового пожаротушения для обжарки мяса птицы представляет собой пример успешного сотрудничества, где каждую деталь и этап работы выполняли с максимальной ответственностью и высоким качеством. Мы гордимся тем, что можем предложить решения, соответствующие самым строгим стандартам в области безопасности производства.
С уважением к Вам
Менеджер по работе с корпоративными
клиентами ООО "Крионика"
Кравец Егор
Тел.: +7(3412) 56-55-97
E-mail: info@predklapan.ru
|
Оформите заявку на сайте, мы свяжемся с вами в ближайшее время и ответим на все интересующие вопросы.
|
Задать вопрос
|
