Скачать опросный лист
Поворотный проходной криогенный обратный клапан серии DHX выполнен полностью из нержавеющей стали. Запорным элементом является откидная створка, которая открывается при токе рабочей среды в нужном направлении. При обратном токе створка опускается и перекрывает проток. В открытом положении клапан обеспечивает высокий расход при низких показателях падения давления. Обезжирен для работы с кислородом.
|
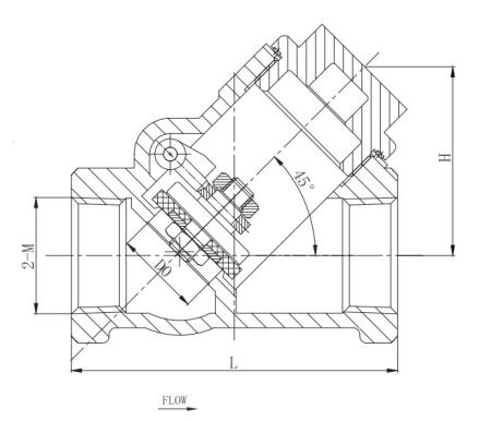
Тип |
Размеры, мм |
|||
|
L |
D0 |
H |
M |
|
|
DHX-15 |
67 |
Ø15 |
39 |
NPT 1/2" |
ООО "Крионика" работает только с юридическими лицами. Оплата производится безналичным путем, на основании счета на оплату. Счета общей суммой до 100 000,00 рублей с НДС не требуют оформления Договора. Счета суммой более 100 000,00 рублей с НДС требуют оформления Договора. Срок действия счета на оплату 4 рабочих дня.
Самовывоз
После уведомления о готовности товара, Вы можете забрать его в пункте выдачи по адресу: г. Ижевск, ул. Буммашевская, д. 7/1, оф. 309.
Доставка по России
При оформлении заказа, укажите способ Доставки "Транспортной компанией". По факту готовности товара, мы оформим забор груза с нашего склада и закажем доставку товара до вашего города, или по конкретному адресу. Право выбора транспортной компании остается за отправителем, если иное не указано в комментарии к Заказу или Договоре. Доставку оплачивает Получатель.
Включить в стоимость товара
Наши менеджеры самостоятельно оценят затраты на транспортировку Товара до Вашего склада, включат эту сумму в стоимость товара, оформят забор, межтерминальную доставку и доставку по вашему городу. Расчеты с транспортной компаний осуществляет отправитель, страховые риски во время транспортировки несет отправитель.
