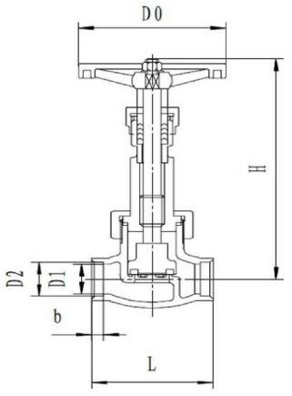
Сальниковый запорный клапан — это запорная арматура, конструктивно выполненная в виде клапана, её запирающий элемент перемещается параллельно оси потока рабочей среды. Запорные клапаны применяются для полного перекрытия своего проходного сечения, а следовательно останова потока рабочей среды. Запирающий элемент, которым в запорном клапане чаще всего является плунжер, в процессе эксплуатации находится в крайних положениях «открыто» или «закрыто». Для регулирования расхода среды путём изменения проходного сечения успешно применяются регулирующие клапаны (дроссельные, игольчатые), также существуют и запорно-регулирующие клапаны, совмещающие эти функции.
Клапаны вентильного типа могут управляться вручную или электроприводом, а клапаны с гладким штоком — гидро-, пневмо- или электромагнитным приводом. Клапаны широко распространены как запорная арматура. Это объясняется возможностью обеспечения хорошей герметичности в запорном органе при сравнительной простоте конструкции. Клапаны применяются для жидких и газообразных сред с широким диапазоном рабочих параметров: давления — от вакуума 5·10−3 мм рт. ст. до 2500 бар, температуры — от криогенных -200 до крайне высоких +600 °C. Проходные запорные клапаны обычно используются на трубопроводах относительно небольших диаметров, так как в случае больших размеров приходится иметь дело с существенным возрастанием усилий для управления клапаном и усложнять конструкцию для обеспечения правильной посадки затвора на седло корпуса.

